Revamp Your Ride: Unlock the Secrets of Mazda 2 MAF Sensor Wiring Diagram

Revamp Your Ride: Unlock the Secrets of Mazda 2 MAF Sensor Wiring Diagram

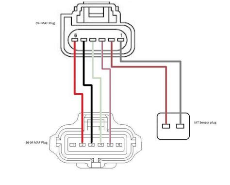
Discover the intricate details of Mazda 2 MAF sensor wiring diagram. Uncover the key components and connections for optimal vehicle performance.

Are you facing issues with your Mazda 2 MAF sensor wiring? Understanding the wiring diagram can be crucial for troubleshooting and resolving such problems efficiently. In this comprehensive guide, we delve into the intricate details of the Mazda 2 MAF sensor wiring diagram, shedding light on its components and connections.Firstly, we'll explore the intricate wiring setup of the MAF sensor, highlighting its role in the vehicle's performance. Then, we'll delve into the specifics of each wire, deciphering their functions and potential points of failure. By the end of this article, you'll have a clear understanding of your Mazda 2's MAF sensor wiring, empowering you to tackle any issues with confidence and precision.

Top 10 Points about Mazda 2 MAF sensor wiring diagram :

  • Introduction to Mazda 2 MAF Sensor Wiring Diagram
  • Understanding the Role of MAF Sensor in Mazda 2
  • Components of Mazda 2 MAF Sensor Wiring System
  • Deciphering Mazda 2 MAF Sensor Wiring Colors
  • Common Issues with Mazda 2 MAF Sensor Wiring
  • Diagnostic Techniques for Mazda 2 MAF Sensor Wiring Problems
  • Steps to Test Mazda 2 MAF Sensor Wiring Continuity
  • Repair and Replacement Guide for Faulty Mazda 2 MAF Sensor Wiring
  • Preventive Maintenance Tips for Mazda 2 MAF Sensor Wiring
  • Conclusion: Optimizing Mazda 2 MAF Sensor Wiring for Peak Performance

Several facts about Mazda 2 MAF sensor wiring diagram

Wiring diagrams are indispensable tools for understanding the intricacies of vehicle electrical systems. In this article, we'll delve into the specifics of Mazda 2 MAF sensor wiring diagrams, shedding light on their components, connections, and troubleshooting methods.

Introduction to Mazda 2 MAF Sensor Wiring Diagram

Wiring diagrams serve as visual representations of a vehicle's electrical system, providing crucial insights into component locations and connections. The Mazda 2 MAF sensor wiring diagram is no exception, offering a detailed blueprint of the MAF sensor's wiring setup.

Understanding the Role of MAF Sensor in Mazda 2

The MAF sensor plays a pivotal role in monitoring the airflow entering the engine, providing vital data for optimal fuel injection and engine performance. Mazda 2's MAF sensor is integral to its efficient operation, ensuring proper air-fuel mixture ratios for combustion.

Components of Mazda 2 MAF Sensor Wiring System

The wiring system associated with the MAF sensor comprises various components, including wires, connectors, and terminals. Each component plays a crucial role in maintaining electrical conductivity and integrity within Mazda 2's MAF sensor wiring system.

Deciphering Mazda 2 MAF Sensor Wiring Colors

Understanding the color codes assigned to wires in Mazda 2's MAF sensor wiring is essential for accurate diagnosis and repair. Each color corresponds to a specific function or connection point, aiding technicians in troubleshooting electrical issues effectively.

Common Issues with Mazda 2 MAF Sensor Wiring

Despite their importance, MAF sensor wiring systems are prone to various issues, including corrosion, fraying, and loose connections. Identifying and addressing these common issues promptly is crucial for maintaining optimal engine performance.

Diagnostic Techniques for Mazda 2 MAF Sensor Wiring Problems

Diagnosing MAF sensor wiring problems requires a systematic approach, including visual inspections, continuity tests, and voltage measurements. Employing diagnostic techniques tailored to Mazda 2's MAF sensor wiring can streamline the troubleshooting process.

Steps to Test Mazda 2 MAF Sensor Wiring Continuity

Ensuring continuity in Mazda 2's MAF sensor wiring is crucial for uninterrupted electrical flow and proper sensor function. Following specific steps to test continuity can help pinpoint and resolve wiring issues effectively.

Repair and Replacement Guide for Faulty Mazda 2 MAF Sensor Wiring

When confronted with faulty MAF sensor wiring, knowing how to repair or replace damaged components is essential. A comprehensive guide tailored to Mazda 2's MAF sensor wiring can facilitate prompt and accurate repairs.

Preventive Maintenance Tips for Mazda 2 MAF Sensor Wiring

Implementing preventive maintenance measures can prolong the lifespan of Mazda 2's MAF sensor wiring and prevent potential issues. Regular inspections, cleaning, and corrosion prevention techniques are key to maintaining optimal wiring integrity.

Conclusion: Optimizing Mazda 2 MAF Sensor Wiring for Peak Performance

By understanding the intricacies of Mazda 2's MAF sensor wiring and implementing effective diagnostic and maintenance strategies, vehicle owners can ensure optimal engine performance and reliability.

Sources:

  1. Automotive Wiring Diagrams - National Instruments (www.ni.com)
  2. Understanding Wiring Diagrams - Holley (www.holley.com)

Mazda 2 MAF sensor wiring diagram in Professional's eye

Wiring diagrams are indispensable tools for understanding the intricate electrical systems of vehicles. In this article, we'll explore the Mazda 2 MAF sensor wiring diagram, delving into its components, functions, and importance in ensuring optimal vehicle performance.

Understanding Mazda 2 MAF Sensor Wiring Diagram

The Mazda 2 MAF sensor wiring diagram serves as a visual representation of the electrical connections associated with the Mass Airflow (MAF) sensor in the Mazda 2 vehicle. It outlines the various wires, connectors, and terminals involved in transmitting electrical signals within the MAF sensor system.

Importance of MAF Sensor Wiring Diagram in Vehicle Maintenance

The MAF sensor wiring diagram is crucial for vehicle maintenance and troubleshooting. It provides technicians with insights into the wiring configuration, facilitating accurate diagnosis and repair of electrical issues related to the MAF sensor. Understanding the diagram helps in identifying faulty connections, damaged wires, or other issues affecting the MAF sensor's functionality.

Components of Mazda 2 MAF Sensor Wiring Diagram

The Mazda 2 MAF sensor wiring diagram typically includes several key components, such as the MAF sensor itself, wires, connectors, and related electrical components. Each component plays a vital role in ensuring proper functioning of the MAF sensor and accurate measurement of airflow entering the engine.

Color Coding in MAF Sensor Wiring Diagram

Color coding is often used in MAF sensor wiring diagrams to distinguish between different wires and their functions. For example, power wires may be represented in red, ground wires in black, signal wires in green, etc. Understanding the color coding simplifies the process of tracing wires and identifying their purposes.

Common Issues with MAF Sensor Wiring Diagram

Despite their importance, MAF sensor wiring diagrams can encounter various issues, such as inaccurate wiring representations, missing components, or outdated information. These issues can potentially lead to misdiagnosis or ineffective repairs if not addressed promptly.

Diagnostic Techniques for MAF Sensor Wiring Diagram

Effective diagnostic techniques are essential for troubleshooting issues identified in the MAF sensor wiring diagram. Techniques may include visual inspections, continuity tests, voltage measurements, and using diagnostic tools such as multimeters or oscilloscopes to pinpoint wiring faults accurately.

Repair and Replacement Guide for MAF Sensor Wiring Diagram

When faults are identified in the MAF sensor wiring diagram, prompt repair or replacement is necessary to ensure proper vehicle operation. This may involve repairing damaged wires, replacing faulty connectors, or installing new wiring harnesses as needed, following manufacturer guidelines and wiring diagram specifications.

Preventive Maintenance for MAF Sensor Wiring Diagram

Implementing preventive maintenance measures can help mitigate potential issues identified in the MAF sensor wiring diagram. Regular inspections, cleaning of connectors, and protective measures against environmental factors such as moisture or heat can prolong the lifespan and reliability of the MAF sensor wiring system.

Conclusion: Optimizing MAF Sensor Wiring Diagram for Vehicle Performance

Understanding and effectively utilizing the MAF sensor wiring diagram is crucial for maintaining optimal vehicle performance and reliability. By comprehensively analyzing the diagram, diagnosing issues accurately, and performing necessary repairs or replacements, technicians can ensure the proper functioning of the MAF sensor and contribute to overall vehicle health.

Sources:

  1. Automotive Wiring Diagrams - National Instruments (www.ni.com)
  2. Understanding Wiring Diagrams - Holley (www.holley.com)
Point of Views : Mazda 2 MAF sensor wiring diagram
  • Familiarize Yourself: Start by obtaining a copy of the Mazda 2 MAF sensor wiring diagram. Ensure it's the correct diagram for your vehicle's year, make, and model.
  • Study the Diagram: Carefully examine each component and connection depicted in the diagram. Pay special attention to Mazda 2's MAF sensor and its associated wiring.
  • Understand Color Coding: Take note of any color coding used in the diagram to differentiate between wires. This will aid in accurate interpretation and troubleshooting.
  • Identify Components: Familiarize yourself with the various components shown in the diagram, such as wires, connectors, and terminals.
  • Follow Wiring Paths: Trace the paths of the wiring connections to understand how electrical signals flow within the system.
  • Use Proper Tools: Gather the necessary tools for troubleshooting, such as a multimeter or continuity tester, to validate wiring integrity.
  • Verify Continuity: Test the continuity of wires and connections as per the diagram to ensure proper electrical flow.
  • Check for Damage: Inspect each wire and connector for any signs of damage, such as fraying, corrosion, or loose connections.
  • Refer to Manufacturer Guidelines: Consult the manufacturer's guidelines or service manual for specific instructions related to Mazda 2's MAF sensor wiring.
  • Seek Professional Help: If you encounter any difficulties or uncertainties, don't hesitate to seek assistance from a qualified technician or automotive electrician.
Conclusion :

Thank you for taking the time to explore our in-depth analysis of the Mazda 2 MAF sensor wiring diagram. We trust that the information provided has equipped you with a comprehensive understanding of the intricate electrical system within your vehicle. By delving into the components, functions, and diagnostic techniques associated with Mazda 2's MAF sensor wiring, we aimed to empower you with the knowledge needed to tackle any electrical issues effectively.

As you navigate through the complexities of automotive wiring, remember the importance of referring back to the wiring diagram when troubleshooting or performing maintenance tasks. Whether you're verifying continuity, identifying damaged components, or seeking preventive measures, the Mazda 2 MAF sensor wiring diagram serves as your invaluable guide. Should you encounter any challenges beyond your expertise, don't hesitate to seek assistance from qualified professionals who can offer tailored solutions to ensure the optimal performance and longevity of your vehicle's electrical system.

Questions and Answer for Mazda 2 MAF sensor wiring diagram

When it comes to Mazda 2 MAF sensor wiring diagrams, people often have several questions. Here are some common inquiries along with their answers:

  • 1. What is a MAF sensor in a Mazda 2?
  • The MAF (Mass Airflow) sensor in a Mazda 2 is a crucial component of the vehicle's engine management system. It measures the amount of air entering the engine and sends this information to the engine control unit (ECU) to adjust the fuel injection accordingly for optimal combustion.

  • 2. Why is the MAF sensor wiring diagram important?
  • The MAF sensor wiring diagram is essential for understanding the electrical connections associated with the MAF sensor. It provides a visual representation of the wiring layout, enabling technicians to diagnose and troubleshoot electrical issues effectively.

  • 3. How can I interpret a Mazda 2 MAF sensor wiring diagram?
  • To interpret a Mazda 2 MAF sensor wiring diagram, start by familiarizing yourself with the components, color coding, and wiring paths depicted. Pay close attention to the connections and follow the manufacturer's guidelines for accurate interpretation.

  • 4. What are some common problems with MAF sensor wiring?
  • Common problems with MAF sensor wiring include damaged wires, loose connections, and corrosion. These issues can lead to inaccurate sensor readings, resulting in poor engine performance and fuel efficiency.

  • 5. How do I troubleshoot MAF sensor wiring problems?
  • To troubleshoot MAF sensor wiring problems, conduct visual inspections, continuity tests, and voltage measurements as per the wiring diagram. Use diagnostic tools such as multimeters to identify and rectify any wiring faults effectively.

Label :Mazda 2, Wiring Diagram, MAF Sensor

Keyword : Mazda 2 MAF sensor wiring diagram

0 komentar