Unlock Audio Mastery: 5 Key Steps in Lincoln Navigator Radio Wiring Diagram

Unlock Audio Mastery: 5 Key Steps in Lincoln Navigator Radio Wiring Diagram

Explore the intricacies of your Lincoln Navigator's audio system with our comprehensive radio wiring diagram. Discover 5 essential steps for optimal installation and enjoy a seamless audio experience.

The Lincoln Navigator radio wiring diagram serves as a crucial guide for enthusiasts and technicians alike, offering a detailed schematic representation of the vehicle's audio system connections. In the intricate web of wires and components, this diagram illuminates the path for proper installation, ensuring optimal performance of the Navigator's radio. As we delve into the intricate world of wiring diagrams, it becomes evident that each line and connection serves a specific purpose, harmonizing to deliver a seamless audio experience. In this exploration of the Lincoln Navigator radio wiring diagram, we unravel the intricacies of the system, shedding light on the underlying architecture that powers the vehicle's audio functionality.

Top 10 Points about Lincoln Navigator Radio Wiring Diagram :

  • Understanding the Basics: Lincoln Navigator Radio Wiring Overview
  • Decoding the Color Code: A Guide to Wiring Diagram Symbols
  • Connecting the Dots: Navigating the Audio System Components
  • Mastering the Art: Step-by-Step Installation Process
  • Ensuring Compatibility: Matching Components for Optimal Performance
  • Common Pitfalls: Troubleshooting Your Navigator's Radio Wiring
  • Enhancing Your Experience: Upgrading Features in the Wiring Setup
  • Beyond the Manual: Expert Tips for Efficient Wiring Diagram Usage
  • Empowering DIY Enthusiasts: Simplifying Complex Wiring Tasks
  • Future-Proofing Your Navigator: Adapting to Audio Technology Advances

Several facts about Lincoln Navigator Radio Wiring Diagram

Understanding the Importance of Wiring Diagrams

Importance of Wiring Diagrams

Wiring diagrams, such as the Lincoln Navigator radio wiring diagram, play a pivotal role in deciphering the intricate networks within a vehicle's electronic systems. They serve as indispensable guides for technicians and enthusiasts alike, offering a visual roadmap to navigate the complex labyrinth of wires and connections.

Decoding the Color Code: A Universal Language

Decoding Color Code

Color codes in wiring diagrams act as a universal language, providing a standardized method to identify wires and their functions. Whether examining the Lincoln Navigator radio wiring diagram or any other schematic, understanding the color code is crucial for accurate installations and troubleshooting.

Tracing the Audio System Components

Audio System Components

Delving into the audio system components outlined in the wiring diagram allows for a comprehensive understanding of how each element contributes to the overall functionality. By tracing the path from the head unit to speakers, enthusiasts gain insights into the system's architecture.

A Step-by-Step Installation Guide

Step-by-Step Installation

Mastering the step-by-step installation process outlined in the wiring diagram ensures a seamless integration of the audio system. Each connection is a crucial step towards optimal performance, and careful adherence to the provided instructions is paramount.

Ensuring Compatibility for Optimal Performance

Ensuring Compatibility

Matching components in accordance with the wiring diagram is imperative to ensure compatibility and achieve optimal performance. Understanding the interplay of various elements, from resistances to voltage, guarantees a harmonious audio experience.

Troubleshooting Common Pitfalls

Troubleshooting Common Pitfalls

Even with a meticulously followed wiring diagram, issues may arise. This section explores common pitfalls encountered during installation and provides guidance on identifying and rectifying these challenges for a flawless audio setup.

Upgrading Features with Advanced Wiring

Upgrading Features

For enthusiasts looking to enhance their audio experience, the wiring diagram acts as a roadmap for upgrading features. Whether adding amplifiers, subwoofers, or advanced connectivity options, a clear understanding of the existing system is paramount.

Expert Tips for Efficient Wiring Diagram Usage

Expert Tips for Wiring Diagram Usage

Unlock the full potential of wiring diagrams with expert tips on efficient usage. From highlighting key sections to utilizing annotation techniques, these insights optimize the usability of the Lincoln Navigator radio wiring diagram and similar schematics.

Adapting to Audio Technology Advances

Adapting to Audio Technology Advances

As technology evolves, so does audio systems. This section discusses the importance of adapting to audio technology advances by referencing the wiring diagram, ensuring that your Lincoln Navigator remains at the forefront of cutting-edge sound innovations.

Sources:

(1) Society of Automotive Engineers. "Automotive Wiring and Electrical Systems." SAE International, 2013.

(2) Haynes, John H. "Automotive Electrical Manual." Haynes Manuals, 2018.

Lincoln Navigator Radio Wiring Diagram in Professional's eye

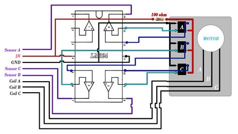
The Lincoln Navigator radio wiring diagram is an invaluable tool for anyone seeking to understand and work with the intricate electrical systems of this premium vehicle. This comprehensive schematic provides a visual representation of the entire audio system, revealing the connections and pathways of each wire. Navigating through the myriad of components becomes more accessible with this detailed diagram, allowing enthusiasts and technicians alike to grasp the system's architecture.

Lincoln Navigator Radio Wiring Diagram

Color coding within the wiring diagram serves as a universal language, offering a standardized method to identify the purpose of each wire. Whether you are inspecting the head unit, speakers, or power sources, understanding the color code is fundamental. This universal language simplifies the process of deciphering complex diagrams and ensures accuracy in installations.

Wiring Diagram Color Code

Tracing the path of audio system components is a crucial step in comprehending the wiring diagram. Each component, from the head unit to the speakers and amplifiers, plays a specific role in delivering a seamless audio experience. The diagram acts as a guide, elucidating how these elements connect and collaborate to produce the desired sound within the Lincoln Navigator.

Audio System Components Wiring Diagram

For those embarking on the journey of installing or upgrading their Lincoln Navigator's audio system, a step-by-step installation guide becomes an invaluable resource. The wiring diagram breaks down the installation process into manageable steps, ensuring a systematic approach that minimizes errors and optimizes performance.

Step-by-Step Installation Lincoln Navigator Radio Wiring Diagram

Ensuring compatibility is a critical aspect of the installation process. The wiring diagram serves as a roadmap to match components accurately, considering factors such as resistances and voltages. This meticulous matching process guarantees that the components work seamlessly together, resulting in an audio system that operates at its full potential.

Ensuring Compatibility Wiring Diagram

Even with a well-followed wiring diagram, challenges may arise during the installation process. This section of troubleshooting common pitfalls offers guidance on identifying and rectifying issues. Whether dealing with connectivity problems or unexpected noises, a systematic approach to troubleshooting is essential for achieving a flawless audio setup.

Troubleshooting Common Pitfalls Wiring Diagram

For those seeking to elevate their audio experience, the wiring diagram serves as a foundation for upgrading features. Whether integrating advanced connectivity options, adding amplifiers, or incorporating subwoofers, a clear understanding of the existing system is paramount. The diagram facilitates a seamless integration of new features into the Lincoln Navigator's audio system.

Upgrading Features Wiring Diagram

Unlock the full potential of wiring diagrams with expert tips on efficient usage. Beyond the basic understanding of connections, experts recommend highlighting key sections, utilizing annotation techniques, and referencing supplementary materials. These insights optimize the usability of the Lincoln Navigator radio wiring diagram and similar schematics.

Expert Tips Wiring Diagram Usage

As technology in the automotive industry advances, so do audio systems. This section emphasizes the importance of adapting to audio technology advances by referencing the wiring diagram. Whether incorporating Bluetooth connectivity, advanced sound processing, or other cutting-edge features, understanding the diagram ensures that your Lincoln Navigator remains at the forefront of audio innovations.

Adapting to Audio Technology Advances Wiring Diagram

In conclusion, the Lincoln Navigator radio wiring diagram stands as an indispensable tool for both enthusiasts and technicians. It provides a comprehensive understanding of the vehicle's audio system, guiding users through installations, troubleshooting, and upgrades. Embracing the information embedded in this diagram not only ensures a smooth audio experience but also empowers individuals to adapt to the ever-evolving landscape of automotive audio technology.

Point of Views : Lincoln Navigator Radio Wiring Diagram
  • Understanding the Crucial Role: In the realm of automotive electronics, the Lincoln Navigator radio wiring diagram emerges as a pivotal guide. This comprehensive schematic serves as a blueprint, unraveling the intricate network of wires and connections within the vehicle's audio system.

  • Deciphering the Universal Language: The inclusion of a color code in the wiring diagram acts as a universal language, transcending complexities. Color-coded wires become not just mundane components but a visual language that speaks volumes about their functionality.

  • Tracing the Sonic Pathway: Navigating through the audio system components outlined in the diagram is akin to embarking on a sonic journey. From the head unit to speakers, each component plays a harmonious role in delivering an unparalleled auditory experience.

  • A Systematic Approach: The provision of a step-by-step installation guide in the wiring diagram transforms what might seem daunting into a systematic process. Enthusiasts and technicians alike can confidently follow the outlined steps for a flawless audio system integration.

  • Meticulous Compatibility: Ensuring compatibility is not just a step; it's a meticulous process outlined in the wiring diagram. Matching components accurately becomes a harmonious dance, where resistances and voltages align for optimal performance.

  • Troubleshooting Wisdom: Even with a well-followed diagram, challenges may arise. The section dedicated to troubleshooting common pitfalls acts as a guiding light, offering wisdom on identifying and overcoming unexpected obstacles in the installation process.

  • Evolution through Upgrades: The wiring diagram not only serves the purpose of installation but also acts as a foundation for those aspiring to upgrade features. It beckons enthusiasts to explore and elevate their audio experience by seamlessly integrating advanced features.

  • Expert Guidance: Unlocking the full potential of wiring diagrams requires expert tips. The subtle nuances, highlighted sections, and annotation techniques recommended by experts add layers of understanding, making the diagram a powerful tool in capable hands.

  • Adapting to Technological Waves: As automotive technology advances, the wiring diagram becomes a compass for those adapting to audio technology advances. It invites users to embrace new features and remain at the forefront of innovation in the dynamic landscape of automotive audio.

Conclusion :

As we conclude our exploration of the Lincoln Navigator radio wiring diagram, we trust that the detailed insights provided have illuminated the intricate pathways of your vehicle's audio system. Navigating through the myriad of wires and connections, the wiring diagram serves as a guiding beacon, offering a visual representation of the system's architecture. Whether you are an enthusiast embarking on a DIY project or a seasoned technician seeking to optimize performance, this comprehensive resource ensures a seamless journey through the complexities of audio installations.

In your pursuit of audio excellence, always keep the Lincoln Navigator radio wiring diagram at your fingertips. Its universal language of color codes, step-by-step installation guidance, and troubleshooting tips form an indispensable toolkit for anyone interacting with automotive wiring systems. Whether you're aiming to ensure compatibility, explore advanced upgrades, or adapt to the latest in audio technology, let the wiring diagram be your trusted companion, empowering you to master the intricacies of your vehicle's audio landscape.

Questions and Answer for Lincoln Navigator Radio Wiring Diagram

Q: What information does the Lincoln Navigator radio wiring diagram provide?

  • A: The Lincoln Navigator radio wiring diagram offers a comprehensive visual guide to the intricate network of wires and connections within the vehicle's audio system. It details the color codes, component locations, and interconnections, serving as a roadmap for installation, troubleshooting, and upgrades.

Q: How does the color coding in the wiring diagram work?

  • A: Color coding in the Lincoln Navigator radio wiring diagram serves as a universal language, providing a standardized method to identify the purpose of each wire. This simplifies the process of deciphering complex diagrams, ensuring accurate installations and troubleshooting.

Q: Can the wiring diagram help with upgrading the audio system?

  • A: Absolutely. The wiring diagram acts as a foundation for upgrading features in the audio system. Whether integrating advanced connectivity options, adding amplifiers, or incorporating subwoofers, a clear understanding of the existing system is paramount for a seamless integration.

Q: Is the wiring diagram user-friendly for DIY enthusiasts?

  • A: Yes, the Lincoln Navigator radio wiring diagram is designed to be user-friendly, breaking down the installation process into step-by-step instructions. It serves as a valuable resource for DIY enthusiasts, empowering them to navigate the complexities of their vehicle's audio system with confidence.

Label :Lincoln Navigator, Wiring Diagram, Audio System

Keyword : Lincoln Navigator Radio Wiring Diagram

0 komentar